No credit card fees. No sales tax outside of WA State.
No credit card fees. No sales tax outside of WA State.
No credit card fees. No sales tax outside of WA State.
No credit card fees. No sales tax outside of WA State.
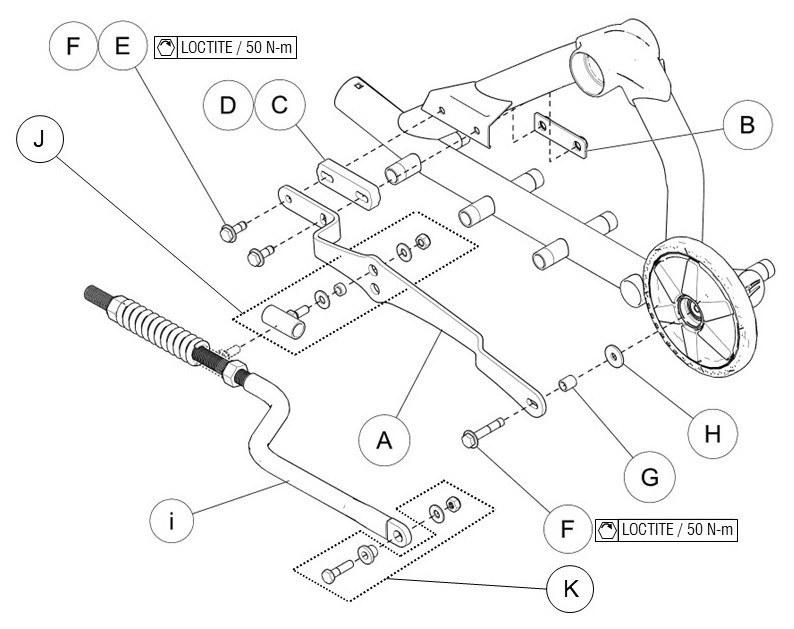
2011 TATOU 4S Rigid Axle Suspension (RS) Option
ATV Track Parts
Tatou 4S-MY2011 Rigid Axle Suspension (RS) Option

Keeping your 2011 TATOU 4S Rigid Axle Suspension (RS) Option performing at its peak means having access to the right replacement parts. This parts kit diagram shows every component available for your specific track system.
Kit Contents: , , , , , , , .
Need help identifying the right part?
Call Us — (866)243-8359





