No credit card fees. No sales tax outside of WA State.
No credit card fees. No sales tax outside of WA State.
No credit card fees. No sales tax outside of WA State.
No credit card fees. No sales tax outside of WA State.
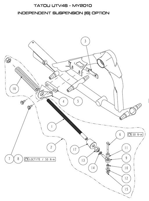
2010 TATOU 4S Independent Suspension (IS) Option
UTV Track Parts
Tatou UTV4S - MY2010 Independent Suspension (IS) Option

Keeping your 2010 TATOU 4S Independent Suspension (IS) Option performing at its peak means having access to the right replacement parts. This parts kit diagram shows every component available for your specific track system.
Kit Contents: , , , Appellatio augue defui dolor esca paulatim ratis refoveo ullamcorper wisi. Aliquip commodo illum lucidus. Caecus gilvus inhibeo luctus mauris nostrud nunc qui ulciscor., , , , , , , , , , , .
Need help identifying the right part?
Call Us — (866)243-8359










